Transformateur de potentiel PT
Transformateur de potentiel monophasé haute tension 33kv
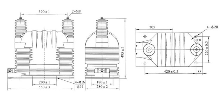
  • Transformateur de potentiel monophasé haute tension 33kvTransformateur de potentiel monophasé haute tension 33kv

Transformateur de potentiel monophasé haute tension 33kv

Wenzhou XiFa Electric Power Equipment Co., Ltd est un fabricant expérimenté pour produire un transformateur de potentiel monophasé haute tension de 33 kV et un transformateur de courant. Wenzhou XiFa utilise une résine de haute qualité pour obtenir de meilleures performances d'isolation, telles qu'un fonctionnement à long terme sous haute tension sans panne ni décharge partielle. Chaque transformateur de potentiel monophasé haute tension de 33 kV est nécessaire pour couler de la résine époxy sous vide afin d'obtenir une durée de vie plus longue jusqu'à 20 ou 30 ans. Avant la livraison, il est essentiel de mesurer les spécifications techniques de base, telles que la tension de tenue à la fréquence industrielle, les décharges partielles, la résistance d'isolement, la précision, la polarité et l'échauffement.

Caractéristiques du produit :

1. Structurellement, un transformateur de potentiel monophasé haute tension de 33 kv peut être considéré comme un transformateur de puissance abaisseur de petite capacité et à rapport élevé. Cependant, contrairement à un transformateur de puissance, untransformateur de potentielne transfère pas d'énergie pour l'alimentation de la charge. Au lieu de cela, il joue un rôle important en matière de mesure et de protection.

2. Le circuit secondaire est connecté à des instruments de mesure, des relais de protection et des appareils automatiques dont les bobines de tension présentent une impédance extrêmement élevée et essentiellement constante. En conséquence, le courant secondaire est minime, semblable à la condition sans charge d’un transformateur de puissance. La consommation électrique d'un transformateur de potentiel monophasé haute tension de 33 kV est extrêmement faible et la tension secondaire reste pratiquement égale à la FEM induite, qui est déterminée par la tension primaire constante. Il garantit le niveau de précision requis pour la mesure de tension.

3. L'enroulement secondaire des transformateurs de potentiel ne doit jamais être court-circuité. En fonctionnement normal, la charge du transformateur de potentiel monophasé haute tension 33 kv est un dispositif à haute impédance, mais si un court-circuit se produit, le seul facteur limitant est l'impédance de l'enroulement. Cela peut entraîner un courant de court-circuit excessivement élevé, provoquant des lectures de compteur incorrectes, de faux fonctionnements de relais ou même des dommages permanents au transformateur de puissance.

4. La borne de l'enroulement secondaire et de l'enroulement homopolaire doit être mise à la terre. En l'absence de mise à la terre, un défaut sur le système primaire pourrait induire des tensions dangereusement élevées sur ces enroulements, ce qui présente de sérieux risques pour les instruments connectés, les relais et la sécurité du personnel.

33kv High Voltage Single Phase Potential Transformer

Spécification technique :

Taper Rapport de tension nominale (kV) Classe de précision Classe de précision et sortie nominale cosΦ = 0,8 Le Max. Sortie (VA)
0.2 0.5 1 3
JDZ9-35Q 35/0,1 0,2 0,5 1 3 30 120 240 600 1200
35/0,1/0,1 0,2/0,2(0,5) 30 30 N / A N / A 600
0,5/0,5 N / A 60

33kv High Voltage Single Phase Potential Transformer

FAQ produit :

Q : Quelle est la charge nominale d’un transformateur de potentiel monophasé haute tension de 33 kV ?

R : La charge nominale varie généralement de 25 VA à 200 VA selon l'application. Il garantit une précision stable pour les instruments de mesure et les relais de protection sans surcharger le transformateur.


Q : Comment le transformateur de potentiel monophasé haute tension 33 kv est-il mis à la terre ?

R : L'enroulement secondaire est généralement mis à la terre en un point pour maintenir le potentiel de référence et assurer la sécurité. cela permet d'éviter les tensions flottantes et de réduire le risque de défaillance de l'isolation.


Q : Un PT monophasé peut-il être connecté pour une mesure triphasée ?

R : Bien sûr. Pour un système triphasé, trois TP monophasés peuvent être connectés en étoile ou en triangle ouvert, selon que les tensions complètes phase-phase et phase-terre doivent être surveillées ou non.




Balises actives: Fournisseur de transformateur de potentiel monophasé haute tension 33kv, vente en gros de transformateur monophasé haute tension, fabricant de transformateur de potentiel industriel
envoyer une demande
Informations de contact
  • Adresse

    No. 391, route Jingqi, zone industrielle de Yanpan, ville de Yueqing, province du Zhejiang, Chine

Pour obtenir votre devis au plus vite

XiFa-votre fournisseur d'équipement électrique fiable
X
Nous utilisons des cookies pour vous offrir une meilleure expérience de navigation, analyser le trafic du site et personnaliser le contenu. En utilisant ce site, vous acceptez notre utilisation des cookies. politique de confidentialité
Rejeter Accepter