Transformateur de courant CT
Type de plaie 5p10 5p20 Ct 100 150 400 5a
  • Type de plaie 5p10 5p20 Ct 100 150 400 5aType de plaie 5p10 5p20 Ct 100 150 400 5a

Type de plaie 5p10 5p20 Ct 100 150 400 5a

Pour fournir des transformateurs de potentiel et des transformateurs de courant de haute qualité, Wenzhou XiFa Electric Power Equipment Co., Ltd propose un service personnalisé aux clients tels que la production et la fourniture de types de plaies 5p10 5p20 ct 100 150 400 5a. Chez WenZhou XiFa electric, l'équipe de production conserve l'inventaire des transformateurs de courant de type ordinaire, tels qu'un transformateur de courant 100/5a 10p10 0,5, pour assurer une livraison rapide. Cependant, l'entreprise propose un service personnalisé pour répondre à diverses demandes d'électricité, telles qu'un transformateur de courant d'alimentation dont la classe de protection est 5p10 ou 5p20.

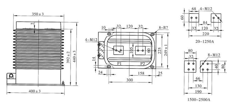
Le transformateur de courant de type bobiné est conçu pour une mesure et une protection de courant fiables dans les systèmes électriques moyenne tension tels que 10kv, 20kv et 35kv. Disponible dans des rapports de courant de 100/5A, 150/5A et 400/5A, et avec des classes de précision de protection de 5P10 et 5P20, ce type enroulé 5p10 5p20 ct 100 150 400 5a fournit une sortie de courant secondaire précise adaptée aux applications de mesure, de comptage et de relais de protection.

Fabriqué avec des noyaux magnétiques solides et des bobines secondaires, le transformateur de courant de type bobiné garantit des performances stables dans des conditions de court-circuit et fournit une transformation de courant précise même lors d'événements transitoires. Son système d'isolation robuste, intégrant souvent de l'époxy ou de la résine de haute qualité, garantit la sécurité, une longue durée de vie et une résistance à l'humidité et aux contraintes environnementales.

La conception de type enroulé permet une installation flexible dans les appareillages de commutation, les panneaux de commande et les tableaux de distribution, afin de fournir un support fiable aux schémas de protection des relais. Le transformateur de courant de type bobiné est idéal pour les installations industrielles, les installations commerciales et les réseaux de distribution de services publics où une mesure de courant précise et fiable est essentielle à la fois pour la surveillance opérationnelle et le contrôle de protection.

Wound Type 5p10 5p20 Ct 100 150 400 5a

Spécification technique :

Taper Courant nominal primaire (A) Classe de précision Classe de précision et sortie nominale cosΦ = 0,8 Courant thermique Shory-Time (kA/S) Courant dynamique nominal (kA)
0,2 (s) 0,5 (s) 10P10
LZZBJ9-35 20-100 0,2/0,2 0,2/0,5 0,2/5P20 0,5/5P20 0,2/0,5/5P 0,2/5P/5P 10 10 15 150I1n 375I1n
150-200 31.5 80
300-500 31,5/2 80
600-1250 15 30 20 31,5/4 80
1500-2000 20 40 30 40/4 125
2500 20 40 20 40/4 125


Taper Courant nominal primaire (A) Classe de précision Capacité (VA) Courant thermique Shory-Time (kA/S) Courant dynamique nominal (kA)
LZZBJ9-35 10 0,2/10P10 0,5/10P10 0,2/5P20 0,5/5P20 0,2/0,5/10P10 0,2/0,5/5P20 0,2/10P10/5P20 0,5/10P10/5P20 15/20 20/20 15/20 20/20 15/20/20 15/20/20 15/20/20 20/20/20 1,5/1 3.75
20 2/1 5
30 3/1 7.5
40 4/1 10
50 5/1 12.5
75 7,5/1 18.75
100 10/1 25
150 15/1 37.5
200 20/1 50
300 31,5/1 80
400 31,5/2 80
500 31,5/2 80
600 31,5/2 80
800 31,5/3 80
1000 31,5/3 80
1200 31,5/3 80
1500 31,5/3 80
2000 31,5/3 80

Wound Type 5p10 5p20 Ct 100 150 400 5a

FAQ produit :

Q : Que signifie « plaie de type 5P10 » ou « 5P20 » dans une plaie de type 5p10 5p20 ct 100 150 400 5a ?

R : Le terme « type enroulé » fait référence aux TC dont le conducteur principal est un enroulement enroulé plutôt qu'une barre omnibus ou une barre traversant le noyau. La classe 5P10 ou 5P20 indique la précision de la protection : 5P signifie jusqu'à 5 % d'erreur au courant secondaire nominal, et le nombre 10 ou 20 est le multiple de courte durée maximum autorisé du courant primaire nominal sans dépasser l'erreur spécifiée.

Q : Comment puis-je choisir la valeur CT correcte pour mon système ?

R : Sélectionnez un TC en fonction du courant de charge maximal et des exigences de protection de votre système. Par exemple, un TC 100/5A convient aux circuits avec des courants typiques autour de 100 A, tandis que 400/5A est conçu pour les alimentations à courant plus élevé. Choisissez une classe de protection (5P10 ou 5P20) en fonction de la sensibilité de détection des défauts du relais et du courant de court-circuit attendu.

Q : Quelles conditions environnementales peuvent gérer les plaies de type 5p10 5p20 ct 100 150 400 5a ?

R : Ces transformateurs de courant de type bobiné sont généralement conçus pour des températures ambiantes comprises entre –10 °C et +40 °C, avec une altitude maximale de 1 000 m. Les matériaux du boîtier et les systèmes d'isolation sont conçus pour un fonctionnement résistant à l'humidité, à la poussière et à la pollution, afin de garantir des performances de protection fiables dans les environnements industriels et utilitaires.




Balises actives: Type de plaie 5p10 5p20 Ct 100 150 400 5a, fournisseur de transformateur de courant, transformateurs de mesure en gros
envoyer une demande
Informations de contact
  • Adresse

    No. 391, route Jingqi, zone industrielle de Yanpan, ville de Yueqing, province du Zhejiang, Chine

Pour obtenir votre devis au plus vite

XiFa-votre fournisseur d'équipement électrique fiable
X
Nous utilisons des cookies pour vous offrir une meilleure expérience de navigation, analyser le trafic du site et personnaliser le contenu. En utilisant ce site, vous acceptez notre utilisation des cookies. politique de confidentialité
Rejeter Accepter